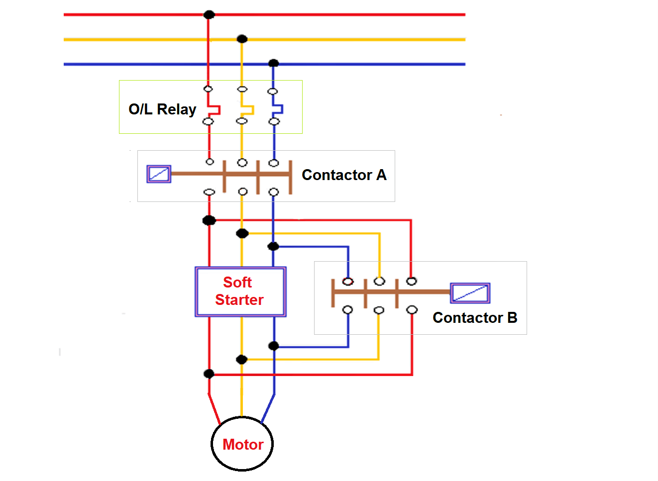
5. Variable frequency starting

The variable frequency starting of motors is usually achieved by a VFD, and the main circuit of the VFD is AC-DC-AC.
① Rectify the input voltage of the power supply into DC (pulsating DC).
② Then use capacitor filtering to adjust the pulsating DC power to a DC power with smaller voltage fluctuations.
③ By outputting AC power through an inverter, the output frequency can be adjusted by changing the switching frequency of the switching transistor. At the same time, the output voltage can also be adjusted by changing the duty cycle of the switching transistor. Therefore, the output voltage can be lower than the input voltage but cannot be higher than the input voltage.
When the VFD is powered on for the first time, it first outputs a lower voltage and frequency to the motor, and then gradually increases to the set voltage and frequency. The current during the entire starting process will not exceed the rated current. The soft start of a motor (different from the soft start of a soft starter) is not the main function of a VFD, but rather the regulation and reliable control of the motor. We will provide a detailed introduction in the next issue. But frequency conversion is still the best solution for motor starting, as it can fully meet the VF characteristics of the motor, providing the best control and protection for the motor.
The VFD can achieve soft parking and free parking of the motor. For scenarios with high braking requirements, the braking resistor can be increased to convert the electrical energy generated during the deceleration and parking process of the motor into heat energy, such as cutting operations, and the energy recovered from braking, such as new energy vehicles and high-speed trains.
The disadvantage of a VFD is that it generates a large amount of harmonics. For applications with high requirements for power quality, it is necessary to use equipment such as input reactors, output reactors, DC reactors, filters, etc. Single phase motors are also not suitable for variable frequency control.